Our Kerb Profiles
Our Profiles
Extruded Standard Kerb and Channel
Extruded Mountable Kerb and Channel
Extruded Standard Kerb Nib (Kerb Only)
Extruded Mountable Nib Kerb
Dish Channel
Flat Edge Beam
Extruded Mountable Kerb
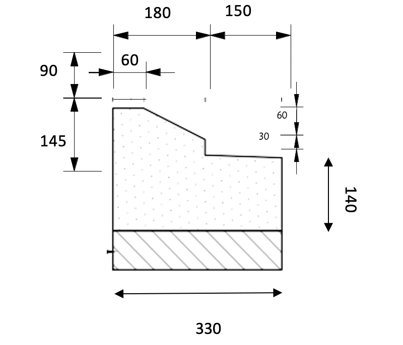
Kerb & Channel
*This profile is also available with 100mm from edge of seal to top of kerb.
Mountable Kerb and Channel
*Also available as a High Mountable Kerb and Channel. 100mm from edge of seal to top of kerb.
Kerb and Nib
*Also available as a Low Profile Kerb and Nib. 100mm from edge of seal to top of kerb.

